Aktuális kedvezmények:
-5% a REA termékekre (kedvezménykód: REA-5) -5% a konyhai mosogatóra és a kiegészítőkre Sink Quality és Gamma (kedvezménykód: SINK-5) -4% az ERGA fürdőszobai kiegészítőkre és termékekre (kedvezménykód: ERGA-4) -4% Novaservis és Ferro termékekre (kedvezménykód: NOVASERVIS-4) -3% a Aqualine termékekre (kedvezménykód: Aqualine-3)Hansgrohe Talis E, mosdócsaptelep 110 lefolyókészlettel húzóval, fehér matt, 71710700
Kód: HAN-71710700Kapcsolódó termékek
Termék részletes leírása
Hansgrohe Talis E, mosdócsaptelep 110 lefolyókészlettel húzóval, fehér matt, 71710700
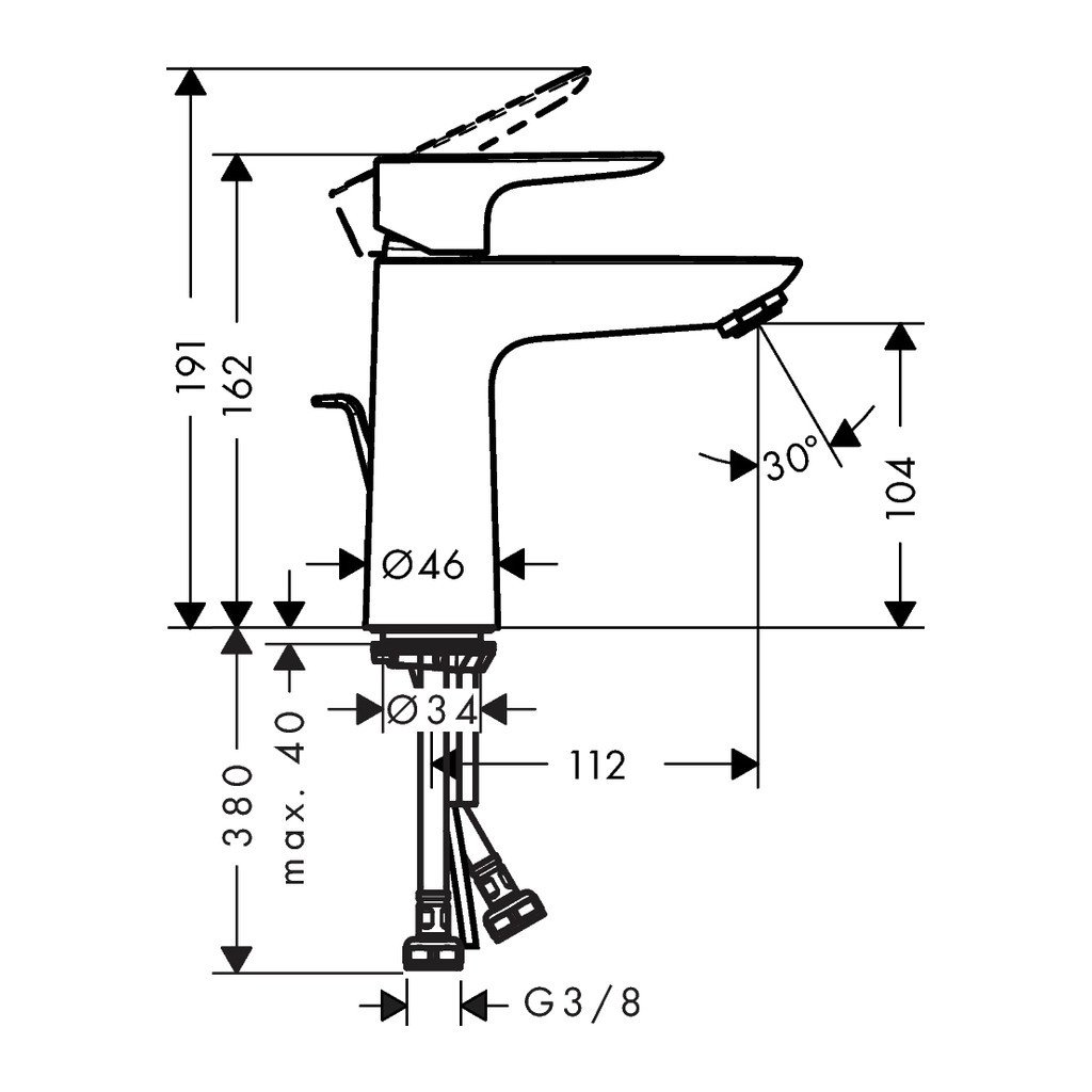
Műszaki adatok:
- Gyártó: Hansgrohe
- Sorozat: Talis E
- Típus: mosogató csaptelep
- Vezérlés: kar
- Beépítés: állvány
- Kivitel: fehér matt
- Tartalma: karos mosdócsaptelep, lefolyókészlet
- ComfortZone 110
- Kifolyó: 112 mm
- Kifolyócső magassága: 104 mm
- Áramtípus: normál áram
- Maximális térfogatáram 3 bar nyomáson: 5 l/perc
- Kerámia patron
- Állítható hőmérséklet-korlátozás
- Alkalmas átfolyós fűtéshez
- Lefolyókészlet G 1¼ rúddal
- Lefolyókészlet anyaga: fém
- Csatlakoztatás módja: csatlakozó tömlők G ⅜
- Bemenetek mérete: DN15
- EcoSmart - Ez az akkumulátor mindössze 5 l/perc-et fogyaszt – lényegesen kevesebb vizet, mint a hagyományos akkumulátorok. És kompromisszumok nélkül a kényelem terén. Mivel sokkal kevesebb vizet kell melegíteni, az energiaköltségek is csökkennek
- Technológia QuickClean - ennek a technológiának köszönhetően a vízkőlerakódások és a szennyeződés eltűnik az akkumulátorról a rugalmas szilikon kiemelkedések egyszerű letörlésével
- AirPower - A Hansgrohe vizet és levegőt kever ezzel a zuhanytechnológiával, és ennek köszönhetően teljes mértékben élvezheti a kellemesen csillogó cseppeket az egész testén. Mert a levegővel dúsított víz teltebbé, könnyebbé és lágyabbá teszi a cseppeket. A vízfelhasználás hatékonyabb lesz.
A sorozat leírása Talis E
A Talis E sorozatú csaptelepek lekerekített vonalainak sima eleganciája luxust visz fürdőszobájába. A letisztult vonalak mellett értékelni fogja a kar precíz felépítését és érzékeny irányítását is, amelyről a kerámiapatron gondoskodik. A mosdókagyló csaptelepek nemcsak különböző magasságban, hanem különböző kimeneti hosszban is beszerezhetők. A stílus egységét fürdőkáddal, zuhannyal vagy bidé csapteleppel is alátámaszthatod, és választhatsz a falra, vakolat alá vagy a kád szélére való változatot. A részletek szerelmesei elégedettek lesznek az ízléses felületkezelések közötti választással.
Technológia Komfort zóna
A Hansgrohe számos, különböző magasságú csaptelepet kínál Önnek. Egyszerűen válassza ki azt, amelyik a legnagyobb kényelmet nyújtja a mindennapi rutinjához. A csaptelepeink nevében szereplő milliméterek száma a komfortzónát jelenti. Ennek köszönhetően egy pillantással láthatja, hogy melyik csaptelepmagasság felel meg leginkább az Ön igényeinek – és a mosogatónak. Nagy komfortzónáinkkal sok extra helyet élvezhet.
EcoSmart technológia:
Az EcoSmart technológiával felszerelt hansgrohe zuhanyzók és csaptelepek akár 60 százalékkal kevesebb vizet fogyasztanak, mint a hagyományos termékek. Ez a melegvíz-fogyasztás csökkentése alacsonyabb energiaigényt is jelent. Összességében ez kevesebb CO2-kibocsátást és alacsonyabb költségeket jelent, vagyis az EcoSmart jót tesz a környezetnek és a pénztárcának.
Az EcoSmart technológia előnyei:
- Csökkentett vízfogyasztás, akár 8 l/perc fej- és kézizuhany esetén (a hansgrohe márkájú zuhanyzók környezetbarát termékei csak 6 l/perc-et használnak).
- A mosdókagylón és a kádon található Hansgrohe csaptelepek alapkivitelben mindössze 5 liter vizet használnak percenként (az EcoSmart+ termékek 4 bar nyomáson is csak 3 l/perc vizet használnak fel).
- Alacsonyabb melegvíz-fogyasztás, ami alacsonyabb energiafogyasztást és költségeket jelent.
- Alacsonyabb CO2-kibocsátás a csökkentett energiafogyasztásnak köszönhetően.
- Állandó áramlás akkor is, ha a víznyomás ingadozik vagy alacsony.
AirPower technológia:
Technológia, amely dúsítja a vizet beszívott levegővel, és így teltebb, könnyebb és lágyabb cseppeket hoz létre. Egy liter víz kb. három liter levegő. Csak nézze meg a csapból kifolyó vizet vagy a zuhany alatti vízsugarak korongját, és megtudja, milyen előnyökkel jár az AirPower. Ez a technológia hangtalanul és megbízhatóan növeli minden csepp térfogatát, és csökkenti a kellemetlen víz fröccsenését. Az AirPower pezsgő zuhanyfej felszívja testét, és kellemes közérzetet kelt. Az eredményt azonnal érezni fogod a bőrödön.
Technológia QuickClean :
A praktikus QuickClean technikának köszönhetően a vízkőlerakódások egy egyszerű ujjmozdulattal eltávolíthatók. Mind az akkumulátorok levegőztetője, mind a zuhanyfúvókák rugalmas szilikon kivezetésekkel vannak ellátva, amelyeken könnyedén eltávolíthatja a vízkőlerakódásokat. Az így kezelt termékek tovább maradnak működőképesek, hosszabb az élettartamuk és mindenekelőtt egyenletes a vízáramlásuk.
Kiegészítő paraméterek
| Kategória: | Csaptelepek |
|---|---|
| Súly: | 1.84 kg |
| EAN vonalkód: | 4059625232040 |
| Gyártó: | HANSGROHE |
| Sorozat: | Hansgrohe Talis E |
| Szín: | fehér |
| EAN: | 4059625232040 |
Beszélgetés
Legyen az első, aki véleményt ír ehhez a tételhez!

