Aktuális kedvezmények:
-5% a REA termékekre (kedvezménykód: REA-5) -5% a konyhai mosogatóra és a kiegészítőkre Sink Quality és Gamma (kedvezménykód: SINK-5) -4% az ERGA fürdőszobai kiegészítőkre és termékekre (kedvezménykód: ERGA-4) -4% Novaservis és Ferro termékekre (kedvezménykód: NOVASERVIS-4) -3% a Aqualine termékekre (kedvezménykód: Aqualine-3)Hansgrohe Croma Select E, Vario zuhanykészlet Ecostat Comfort termosztáttal és zuhanyrúddal 65 cm, fehér/króm, HAN-27081400
Kód: HAN-27081400Termék részletes leírása
Hansgrohe Croma Select E, Vario zuhanykészlet Ecostat Comfort termosztáttal és zuhanyrúddal 65 cm, fehér/króm, HAN-27081400
Termékleírás és paraméterek
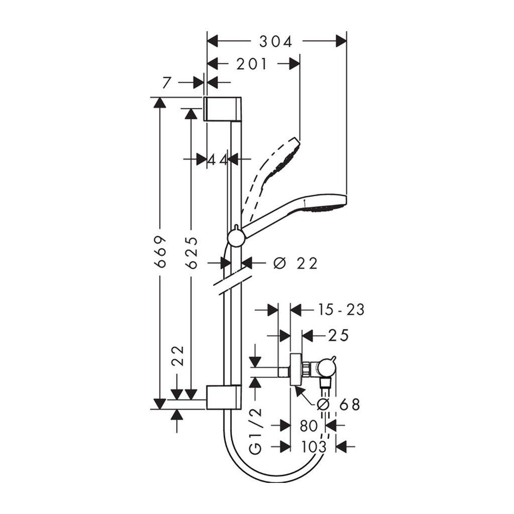
- Tartalma: kézi zuhany, zuhany termosztát, zuhanyrúd, csúszka, zuhanytömlő
- Kézizuhany mérete: 110 mm
- Kényelmes áramkiválasztás a Select gombbal
- Kézi zuhany fúvókával: Rain, IntenseRain, TurboRain
- Maximális áramlási sebesség 3 bar nyomáson: 14,7 l/perc
- Minimális áramlási nyomás: 1 bar
- Minimális üzemi nyomás: 1 bar
- Maximális üzemi nyomás: 6 bar
- Ecostat Comfort termosztát
- EcoStop gomb, amely 10 l/perc-re korlátozza a vízfogyasztást
- Forrázás elleni védelem: biztonsági biztosíték 40°C-on
- Természetesen visszafolyás ellen biztosított
- A zuhanyrúd átmérője: 22 mm
- Rúdhossz: 669 mm
- Műanyag fali tartó
- A forgóvég megakadályozza a tömlő összegabalyodását
- A zuhanytartó dőlésszöge 45°-os tartományban állítható
- QuickClean technológia - ennek a technológiának köszönhetően a vízkőlerakódások és a szennyeződés eltűnik a rugalmas szilikon kiemelkedések egyszerű letörlésével
- XXL Performance technológia – a nyugtató sugárfajták egyenletesen oszlatják el a vizet a testben
Kiegészítő paraméterek
| Kategória: | Zuhanykészletek (csaptelep és zuhanyoszlop) |
|---|---|
| Súly: | 3.393 kg |
| EAN vonalkód: | 4011097755243 |
| Felületkezelés: | Fényes |
| Gyártó: | HANSGROHE |
| Sorozat: | HANSGROHE Croma E |
| Szerelés: | fali |
| Szín: | fehér, Króm |
| Ean: | 4011097755243 |
| kézizuhany formája: | Hranatá |
| csaptelep formája: | Oblý |
| Vezérlés: | Termostatické,Tlačidlo Select |
| csaptelep típus: | Termostatická |
| A kézizuhany vízsugár típusa: | IntenseRain,Rain,TurboRain |
| Kézizuhany vízsugarainak száma: | 3 |
| Kézizuhany mérete (mm): | 110x110 |
| A fúrólyukak távolsága (mm): | 625 |
| Távolság (mm): | 150 |
| Kézizuhany átfolyása (l/perc): | 14.7 |
| Zuhany tömlő hossza (mm): | 1600 |
| Zuhanyrúd hossza (mm): | 669 |
Beszélgetés
Legyen az első, aki véleményt ír ehhez a tételhez!
